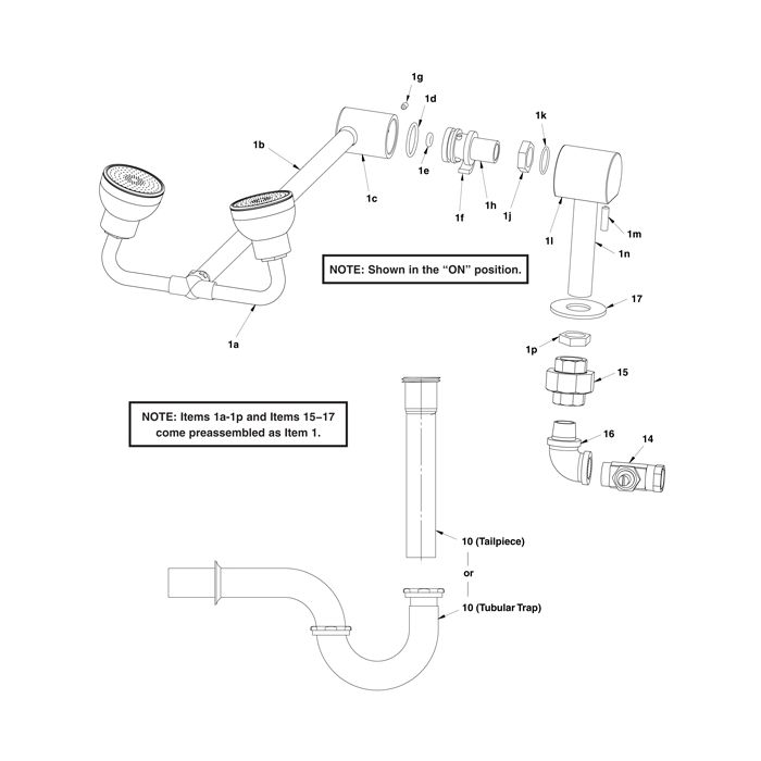
Bradley S19-325PBF Parts Breakdown

calcActive())">
In stock
- SKU
- breakdown-S19-325PBF
More Information
| Manufacturer | Bradley |
|---|---|
| Model # | S19-325PBF |
| Manufacturer Part # | S19-325PBF |
Write Your Own Review
