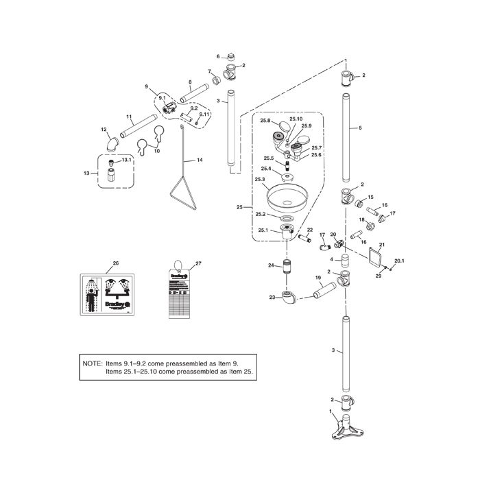
Bradley S19-310SSJP Parts Breakdown

calcActive())">
In stock
- SKU
- breakdown-S19-310SSJP
More Information
| Manufacturer | Bradley |
|---|---|
| Model # | S19-310SSJP |
| Manufacturer Part # | S19-310SSJP |
Write Your Own Review
