Bradley S19-310PVC Parts Breakdown

calcActive())">
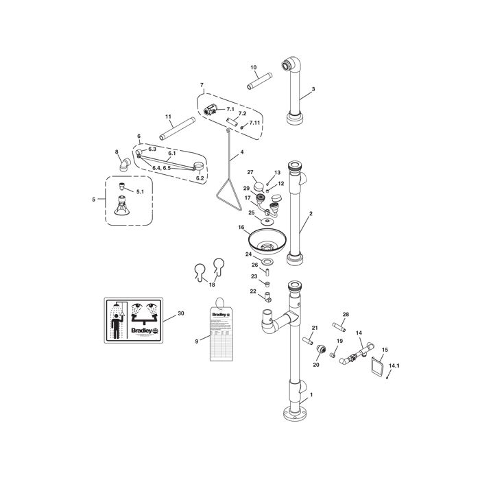
Item 6.2 includes items 6.4 & 6.5; Item 6.3 includes items 6.4 & 6.5.
In stock
- SKU
- breakdown-S19-310PVC
More Information
| Manufacturer | Bradley |
|---|---|
| Model # | S19-310PVC |
| Manufacturer Part # | S19-310PVC |
Write Your Own Review
