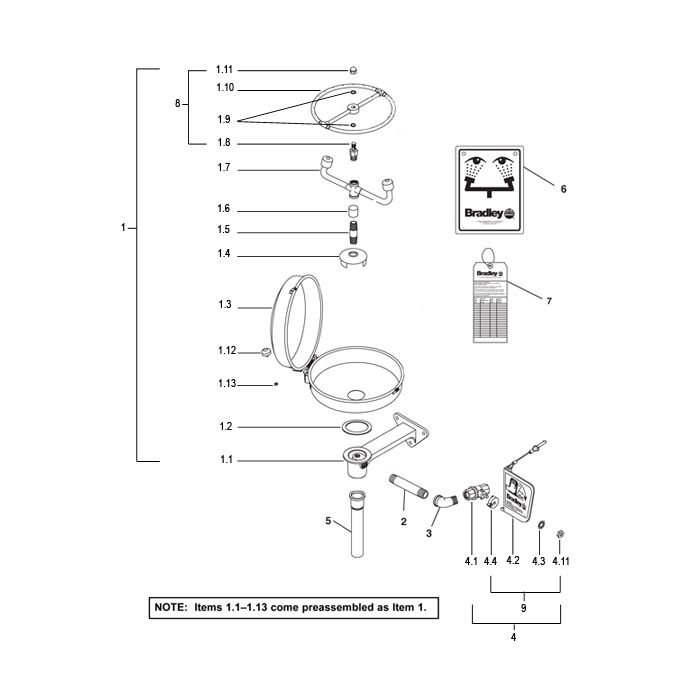
Bradley S19-220DCR Parts Breakdown

calcActive())">
In stock
- SKU
- breakdown-S19-220DCR
More Information
| Manufacturer | Bradley |
|---|---|
| Model # | S19-220DCR |
| Manufacturer Part # | S19-220DCR |
| Filter Included | No |
| Freeze Resistant | No |
| Gooseneck Glass Filler | None |
Write Your Own Review
